Jeff, a repeat residential client from LaGrange, Georgia, needed a clear and accurate site plan to apply for an inground swimming pool permit.
The plan had to show the pool layout alongside existing structures and a new accessory structure planned for the property.
Order:
Jeff selected our Medium Package Site Plan and chose a 24-hour turnaround.
He requested the final plan in PDF format, with standard sizing.
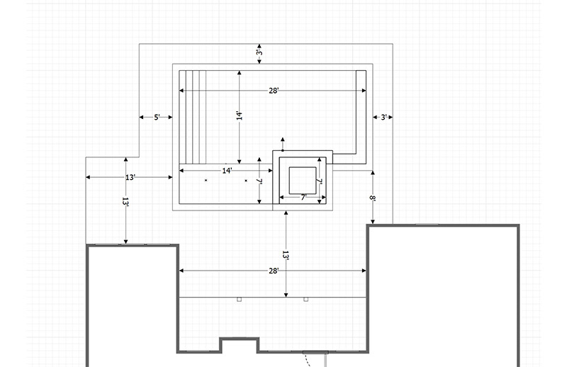
While no additional written notes were provided, Jeff shared a technical drawing, which gave our designers a precise reference for the pool placement and site details.
OUR SOLUTION:
Using the technical drawing and property data, our CAD team prepared a detailed site plan tailored for a swimming pool permit submission.
We completed the plan faster than expected, in just 13 hours, allowing Jeff to stay on schedule with his project.
The result was a clean, easy-to-review plan ready for local permit approval.
Jeff ’s Medium Site Plan drawing incuded all necessary information like:
REVISIONS
No revisions were needed.
The first version fully met Jeff’s requirements.
SUMMARY
This project shows how a well-prepared site plan can simplify pool permitting.
By working from a technical drawing and delivering ahead of schedule, our team helped Jeff quickly prepare his application without unnecessary back-and-forth.
The clear layout and accurate details made this a smooth, efficient collaboration from start to finish.



DELIVERY TIME

FILE TIPE

PAPER SIZE

REVISON
PHONE – CHAT – EMAIL
– OR –
Recent Case Studies See all